其他

SAGInoMIYA鷺宮 FQS-U30G 水流開關

SAGInoMIYA鷺宮 FQS-U30G 水流開關

  • SAGInoMIYA鷺宮 FQS-U30G 水流開關_封面_.jpg
  • SAGInoMIYA鷺宮 FQS-U30G 水流開關1.jpg
  • SAGInoMIYA鷺宮 FQS-U30G 水流開關2.jpg
  • SAGInoMIYA鷺宮 FQS-U30G 水流開關3.jpg
詳細介紹
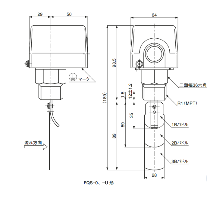
SAGInoMIYA鷺宮 水流開關FQS-U30G
產品規格
採用葉片可根據阻力測出流體的流動,適於大流量的控制。
●最大流體壓力:0.98MPa(10kgf/c㎡)
●溫度:5~80℃
●最大流速:2m/s
●重量:0.6kg


桃園中壢松冠冷氣冷凍材料批發零售,如有相關材料問題,歡迎來電詢問!